本报告由济宁市兖州区审计局按照《中华人民共和国政府信息公开条例》(以下简称《条例》)和《中华人民共和国政府信息公开工作年度报告格式》(国办公开办函〔2021〕30号)要求编制。
本报告内容包括总体情况、主动公开政府信息情况、收到和处理政府信息公开申请情况、政府信息公开行政复议和行政诉讼情况、存在的主要问题及改进情况、其他需要报告的事项等六部分内容。
本报告所列数据的统计期限自2024年1月1日起至2024年12月31日止。本报告电子版可在“中国·兖州”政府门户网站(www.yanzhou.gov.cn)查阅或下载。如对本报告有疑问,请与济宁市兖州区审计局联系(地址:济宁市兖州区行政办公中心A527,联系电话:0537—3412263)。
一、总体情况
2024年,我局深入贯彻《中华人民共和国政府信息公开条例》,将政务公开工作作为提升行政效能、增强工作透明度的重要任务,全面部署并积极推进。现将区审计局2024年政务公开工作情况报告如下:
(一)主动公开
一是利用政务公开平台主动公开。通过兖州区政府政务公开专栏,及时公开政府信息共19条,其中计划总结1条、部门财政预算决算2条、主动公开基本目录1条、主动公开事项目录1条、行政执法信息4条、政务公开组织管理4条以及政府工作报告落实信息4条。
二是拓展审计公开新形式。通过专门汇报审计工作的方式公开财政“同级审”和审计工作相关情况;将部分经济责任审计结果在一定范围内向相关部门进行通报,探索开展经济责任审计公告新的途径和方式。
三是强化与行业内外媒体的沟通合作,在《中国审计》发表2篇、《山东审计》发表2篇、审计资讯纵览发表5篇,市局及《济宁日报》等媒体发表10余篇,《今日兖州》《兖州信息》、兖州政府网站发表20余篇。


(二)依申请公开
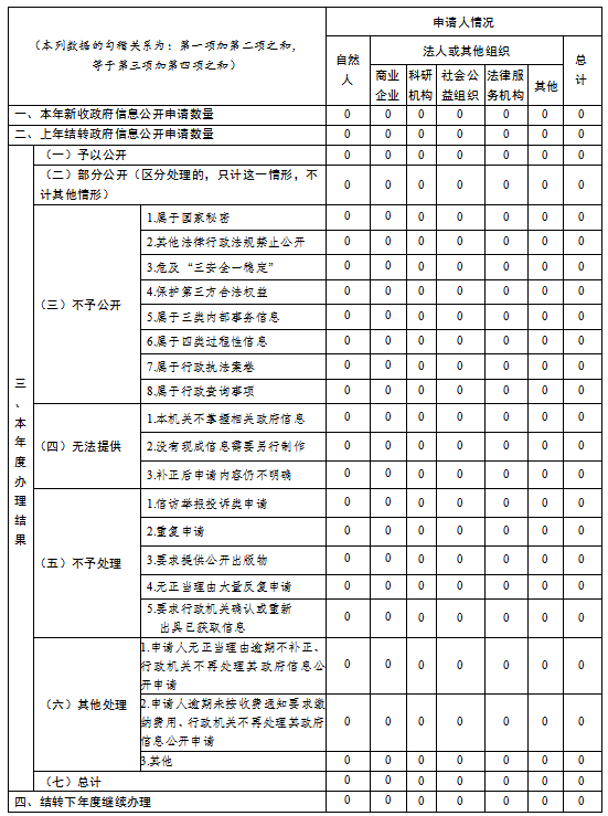
全年收到0条政府信息公开申请,未发生政府信息公开举报情况,也没有政府信息公开行政复议和诉讼情况。
(三)政府信息管理
一方面加强组织领导。2024年度召开2次党组会议,研究政务公开工作,根据政务公开检查情况,补齐短板,做好各项整改工作;另一方面建立健全各项制度。逐步规范和完善政务公开的内容、形式,健全政务公开工作机制,更新完善《兖州区审计局政务公开工作实施方案》《兖州区审计局政务公开考核办法》2项制度。
(四)政府信息公开平台建设
政府网站作为信息公开的主要平台,区审计局在网站上主动公开了大量工作信息,包括工作概况、工作动态、相关文件等,此外,还加强了政策解读,通过通俗易懂的语言解读与民众密切相关的政策文件,积极回应群众关切。为保障人民群众的知情权和监督权,在局办公室设置了政府信息查阅点,同时安排人员做好相关的咨询、查阅、公开申请等各项服务。
(五)监督保障
一方面加大公开内容保障。明确政府信息公开工作承担机构和责任以及主动公开、依申请公开等内容事项,及时修订信息公开指南。另一方面加强公开培训与考核。2024年,区审计局组织了2次政务公开工作培训活动,增强各科室人员的政务公开意识,明确了各科室政务公开工作职责。
二、主动公开政府信息情况
三、收到和处理政府信息公开申请情况
四、政府信息公开行政复议、行政诉讼情况
五、存在的主要问题及改进情况
存在问题:可公开的信息量受到审计业务自身的限制,难以在量上有大的突破;公开渠道相对单一,未能充分利用多种媒体平台进行信息发布。
2025年,将从以下几个方面重点改进:
充分利用多种媒体平台,如政务新媒体、政府公报等,进行信息发布和政策解读;加强与上级审计机关及市级各单位的沟通协调,推动政务信息的共享和发布。
六、其他需要报告的事项
(一)依据《政府信息公开信息处理费管理办法》收取信息处理费的情况:
2024年度,依据《政府信息公开信息处理费管理办法》,我局未收取信息处理费。
(二)本行政机关落实上级年度政务公开工作要点情况:
区审计局能够按照上级要求,及时发布和更新政务信息,确保信息的时效性和准确性;根据区委、区政府关于信息公开的指导方针,全面梳理公开内容,围绕审计工作重点领域,全面梳理应公开的政务信息;对涉及公众切身利益的重要政策,及时发布解读材料,帮助公众准确理解政策意图和内容。
(三)人大代表建议和政协提案办理结果公开情况:
无
(四)本行政机关年度政务公开工作创新情况:
拓展审计公开新形式:通过专门汇报审计工作的方式公开财政“同级审”和审计工作相关情况;将部分经济责任审计结果在一定范围内向相关部门进行通报,探索开展经济责任审计公告新的途径和方式。
(五)本行政机关政府信息公开工作年度报告数据统计需要说明的事项:
无
(六)本行政机关认为需要报告的其他事项:
无
(七)其他有关文件专门要求通过政府信息公开工作年度报告予以报告的事项:
无
【WORD版下载】
济宁市兖州区审计局2024年政府信息公开工作年度报告.doc
【PDF版在线阅读】
济宁市兖州区审计局2024年政府信息公开工作年度报告.pdf
【音频版年报】
点击收听年报语音朗读